Binary Converter

Synchronous Counter

async-counter-img

Truth Table

clock

Q3

Q2

Q1

Q0

Timing Diagram

clk:

Q0:

Q1:

Q2:

Q3:

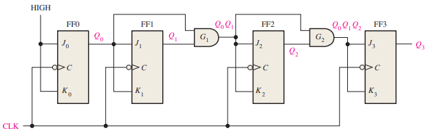
Counters

Counters are sequential circuits that count in a specific sequence. They are made up of flip-flops which are connected in such a way as to perform the counting operation. The output of one flip-flop is connected to the input of the next flip-flop in the chain. The output of the last flip-flop is connected to the input of the first flip-flop. The output of each flip-flop represents a different bit in the binary number sequence, and the number of flip-flops used determines the number of bits in the sequence. The flip-flops are triggered by a clock pulse at the clock input. The clock pulse causes the flip-flops to change state in a particular sequence. The sequence of the counter is determined by the way the flip-flops are connected together. The sequence of the counter can be determined from the following table which shows the sequence of a 3-bit binary counter.